ریل 49E1
ریل 49E1 عمدتا برای حمل و نقل ریل راه آهن استفاده می شود و همچنین می تواند در معادن زیرزمینی استفاده شود. ریل GNEE همچنین انواع ریل استاندارد EN مانند ریل 60E1، ریل UIC60، ریل 54E1، ریل UIC54 و غیره را ارائه می دهد.
49E1 مشخصات ریل
مدل: S49/49E1
نوع: ریل سنگین
مواد: R200، R260، R260MN، R350HT
طول: 12 تا 25 متر
وزن واحد: 49.39 کیلوگرم بر متر
استاندارد تولید: EN13674-1
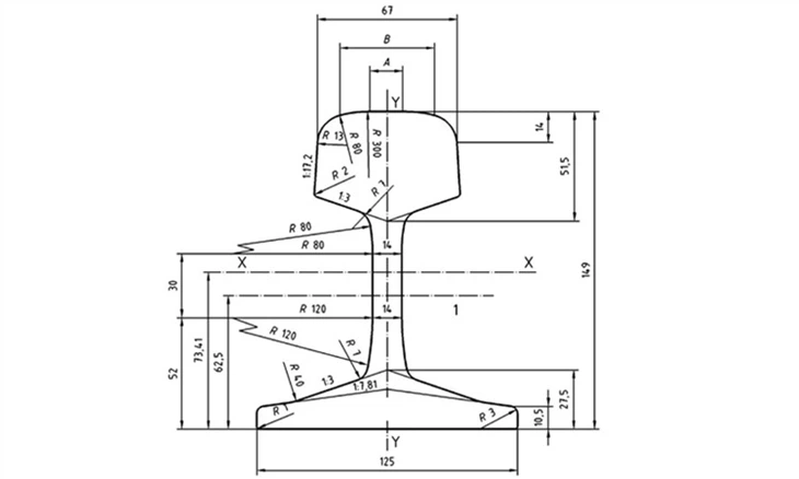
49E1 نقشه راه آهن

تگ های محبوب: ریل 49e1، تولید کنندگان، تامین کنندگان، کارخانه ریل 49e1 چین




